| Қол жетімділік күйі: | |
|---|---|
| Саны: | |
A Жуынатын мойынтірек немесе Ұйықтаңыз айналу болып табылады илемдеу элементтері немесе жазық подшипник әдетте ауыр, бірақ баяу бұрау немесе баяу тербелмелі жүктемені, көбінесе кәдімгі көлденең платформаны қолдайды тырна, а тербелетін ауланемесе көлденең осьтің жел қапталған платформасы жел тиірлген. ( «Slww » дегеніміз орын ауыстырмай бұрылуды білдіреді.
Басқа жылжымалы элементтермен салыстырғанда, жүйкелермен салыстырғанда, ұйқышыл мойынтіректер секциялы және көбінесе метрлік немесе одан көп диаметрлерде жасалады; Жуыратын мойынтіректер Фолкирк дөңгелегі диаметрі 4 метр және 3,5 метрлік осьтен асады. Жуынатын мойынтіректер авиациялық әуе кемесінің беті мойынтіректеріне ұқсайды.
Жуынатын мойынтіректер көбінесе жылжымалы элементтердің екі қатарын жиі қолданады. Олар көбінесе үш қолданады жарысу Ішкі сақина және екі сыртқы сақина және екі сыртқы сақина, ол балғындарды біріктіреді.
Жуынатын мойынтіректер көбінесе ішкі немесе сыртқы нәсілмен интегралды жасалады, бұл негізге қатысты платформаны басқару үшін қолданылады.
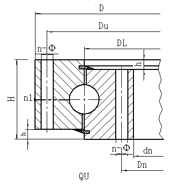
Ешқандай | Улгі | Өлшемдер (мм) | Орнату өлшемдері (мм) | Құрылымдық өлшемдер (мм) | Беріліс деректері | ||||||||||||
Берілмеген | H | Д | Дн | n | Тесік арқылы A | Бұрандалы тесік B / c / d | n1 Мұнай кубогы Qty | h | B | m | |||||||
жо | Редуктор z | Салмақ | |||||||||||||||
D | d | φ | D1 | T | |||||||||||||
мм | мм | мм | мм | кг | |||||||||||||
1 | 408 | 222 | 60 | 370 | 260 | 10 | 18 | M16 | 24 | 2 | 10 | 34 | |||||
2 | 448 | 262 | 60 | 410 | 300 | 10 | 18 | M16 | 24 | 2 | 10 | 39 | |||||
3 | 493 | 307 | 60 | 455 | 345 | 12 | 18 | M16 | 24 | 2 | 10 | 44 | |||||
4 | 543 | 357 | 60 | 505 | 395 | 12 | 18 | M16 | 24 | 2 | 10 | 50 | |||||
5 | 593 | 407 | 60 | 555 | 445 | 14 | 18 | M16 | 24 | 2 | 10 | 55 | |||||
6 | 656 | 464 | 70 | 618 | 502 | 14 | 18 | M16 | 30 | 2 | 10 | 76 | |||||
7 | 726 | 534 | 70 | 688 | 572 | 16 | 18 | M16 | 30 | 2 | 10 | 84 | |||||
8 | 806 | 614 | 70 | 768 | 652 | 18 | 18 | M16 | 30 | 2 | 10 | 97 | |||||
9 | QU.800.20 | 896 | 704 | 70 | 858 | 742 | 20 | 18 | M16 | 30 | 2 | 10 | 110 | ||||
10 | 908 | 692 | 78 | 864 | 736 | 18 | 22 | M20 | 36 | 2 | 10 | 142 | |||||
11 | 1008 | 792 | 78 | 964 | 836 | 20 | 22 | M20 | 36 | 2 | 10 | 163 | |||||
12 | QU.1000.25 | 1108 | 892 | 78 | 1064 | 936 | 24 | 22 | M20 | 36 | 2 | 10 | 178 | ||||
13 | 1124 | 876 | 90 | 1074 | 926 | 24 | 24 | M22 | 40 | 2 | 10 | 230 | |||||
14 | 1244 | 996 | 90 | 1194 | 1046 | 28 | 24 | M22 | 40 | 4 | 10 | 263 | |||||
15 | QU.1250.32 | 1374 | 1126 | 90 | 1324 | 1176 | 32 | 24 | M22 | 40 | 4 | 10 | 294 | ||||
16 | QU.1400.32 | 1524 | 1276 | 90 | 1474 | 1326 | 36 | 24 | M22 | 40 | 4 | 10 | 333 | ||||
17 | 1394 | 1108 | 102 | 1336 | 1164 | 32 | 26 | M24 | 45 | 4 | 12 | 388 | |||||
18 | 1544 | 1258 | 102 | 1486 | 1314 | 36 | 26 | M24 | 45 | 4 | 12 | 444 | |||||
19 | QU.1600.40 | 1744 | 1458 | 102 | 1686 | 1514 | 40 | 26 | M24 | 45 | 4 | 12 | 509 | ||||
20 | QU.1800.40 | 1944 | 1658 | 102 | 1886 | 1714 | 44 | 26 | M24 | 45 | 4 | 12 | 576 | ||||
21 | 1766 | 1434 | 124 | 1704 | 1496 | 40 | 30 | M27 | 50 | 4 | 12 | 714 | |||||
22 | 1966 | 1634 | 124 | 1904 | 1696 | 44 | 30 | M27 | 50 | 4 | 12 | 794 | |||||
23 | QU.2000.50 | 2166 | 1834 | 124 | 2104 | 1896 | 48 | 30 | M27 | 50 | 6 | 12 | 891 | ||||
24 | QU.2240.50 | 2406 | 2074 | 124 | 2344 | 2136 | 54 | 30 | M27 | 50 | 6 | 12 | 1044 | ||||
25 | QU.2500.50 | 2666 | 2334 | 124 | 2604 | 2396 | 60 | 30 | M27 | 50 | 6 | 12 | 1132 | ||||
26 | QU.2500.60 | 2696 | 2304 | 150 | 2626 | 2374 | 60 | 33 | М30 | 56 | 6 | 14 | 1621 | ||||
Ескерту:
1. N1 - майлаудың нөмірі, маян-майлар.
2. N-φCAN TABED TOCHOLE-ге өзгертіңіз, оның диаметрі м, тереңдігі - 2 м.
3. «k » - бұл қосымшаларды азайту коэффициенті.
A Жуынатын мойынтірек немесе Ұйықтаңыз айналу болып табылады илемдеу элементтері немесе жазық подшипник әдетте ауыр, бірақ баяу бұрау немесе баяу тербелмелі жүктемені, көбінесе кәдімгі көлденең платформаны қолдайды тырна, а тербелетін ауланемесе көлденең осьтің жел қапталған платформасы жел тиірлген. ( «Slww » дегеніміз орын ауыстырмай бұрылуды білдіреді.
Басқа жылжымалы элементтермен салыстырғанда, жүйкелермен салыстырғанда, ұйқышыл мойынтіректер секциялы және көбінесе метрлік немесе одан көп диаметрлерде жасалады; Жуыратын мойынтіректер Фолкирк дөңгелегі диаметрі 4 метр және 3,5 метрлік осьтен асады. Жуынатын мойынтіректер авиациялық әуе кемесінің беті мойынтіректеріне ұқсайды.
Жуынатын мойынтіректер көбінесе жылжымалы элементтердің екі қатарын жиі қолданады. Олар көбінесе үш қолданады жарысу Ішкі сақина және екі сыртқы сақина және екі сыртқы сақина, ол балғындарды біріктіреді.
Жуынатын мойынтіректер көбінесе ішкі немесе сыртқы нәсілмен интегралды жасалады, бұл негізге қатысты платформаны басқару үшін қолданылады.
Ешқандай | Улгі | Өлшемдер (мм) | Орнату өлшемдері (мм) | Құрылымдық өлшемдер (мм) | Беріліс деректері | ||||||||||||
Берілмеген | H | Д | Дн | n | Тесік арқылы A | Бұрандалы тесік B / c / d | n1 Мұнай кубогы Qty | h | B | m | |||||||
жо | Редуктор z | Салмақ | |||||||||||||||
D | d | φ | D1 | T | |||||||||||||
мм | мм | мм | мм | кг | |||||||||||||
1 | 408 | 222 | 60 | 370 | 260 | 10 | 18 | M16 | 24 | 2 | 10 | 34 | |||||
2 | 448 | 262 | 60 | 410 | 300 | 10 | 18 | M16 | 24 | 2 | 10 | 39 | |||||
3 | 493 | 307 | 60 | 455 | 345 | 12 | 18 | M16 | 24 | 2 | 10 | 44 | |||||
4 | 543 | 357 | 60 | 505 | 395 | 12 | 18 | M16 | 24 | 2 | 10 | 50 | |||||
5 | 593 | 407 | 60 | 555 | 445 | 14 | 18 | M16 | 24 | 2 | 10 | 55 | |||||
6 | 656 | 464 | 70 | 618 | 502 | 14 | 18 | M16 | 30 | 2 | 10 | 76 | |||||
7 | 726 | 534 | 70 | 688 | 572 | 16 | 18 | M16 | 30 | 2 | 10 | 84 | |||||
8 | 806 | 614 | 70 | 768 | 652 | 18 | 18 | M16 | 30 | 2 | 10 | 97 | |||||
9 | QU.800.20 | 896 | 704 | 70 | 858 | 742 | 20 | 18 | M16 | 30 | 2 | 10 | 110 | ||||
10 | 908 | 692 | 78 | 864 | 736 | 18 | 22 | M20 | 36 | 2 | 10 | 142 | |||||
11 | 1008 | 792 | 78 | 964 | 836 | 20 | 22 | M20 | 36 | 2 | 10 | 163 | |||||
12 | QU.1000.25 | 1108 | 892 | 78 | 1064 | 936 | 24 | 22 | M20 | 36 | 2 | 10 | 178 | ||||
13 | 1124 | 876 | 90 | 1074 | 926 | 24 | 24 | M22 | 40 | 2 | 10 | 230 | |||||
14 | 1244 | 996 | 90 | 1194 | 1046 | 28 | 24 | M22 | 40 | 4 | 10 | 263 | |||||
15 | QU.1250.32 | 1374 | 1126 | 90 | 1324 | 1176 | 32 | 24 | M22 | 40 | 4 | 10 | 294 | ||||
16 | QU.1400.32 | 1524 | 1276 | 90 | 1474 | 1326 | 36 | 24 | M22 | 40 | 4 | 10 | 333 | ||||
17 | 1394 | 1108 | 102 | 1336 | 1164 | 32 | 26 | M24 | 45 | 4 | 12 | 388 | |||||
18 | 1544 | 1258 | 102 | 1486 | 1314 | 36 | 26 | M24 | 45 | 4 | 12 | 444 | |||||
19 | QU.1600.40 | 1744 | 1458 | 102 | 1686 | 1514 | 40 | 26 | M24 | 45 | 4 | 12 | 509 | ||||
20 | QU.1800.40 | 1944 | 1658 | 102 | 1886 | 1714 | 44 | 26 | M24 | 45 | 4 | 12 | 576 | ||||
21 | 1766 | 1434 | 124 | 1704 | 1496 | 40 | 30 | M27 | 50 | 4 | 12 | 714 | |||||
22 | 1966 | 1634 | 124 | 1904 | 1696 | 44 | 30 | M27 | 50 | 4 | 12 | 794 | |||||
23 | QU.2000.50 | 2166 | 1834 | 124 | 2104 | 1896 | 48 | 30 | M27 | 50 | 6 | 12 | 891 | ||||
24 | QU.2240.50 | 2406 | 2074 | 124 | 2344 | 2136 | 54 | 30 | M27 | 50 | 6 | 12 | 1044 | ||||
25 | QU.2500.50 | 2666 | 2334 | 124 | 2604 | 2396 | 60 | 30 | M27 | 50 | 6 | 12 | 1132 | ||||
26 | QU.2500.60 | 2696 | 2304 | 150 | 2626 | 2374 | 60 | 33 | М30 | 56 | 6 | 14 | 1621 | ||||
Ескерту:
1. N1 - майлаудың нөмірі, маян-майлар.
2. N-φCAN TABED TOCHOLE-ге өзгертіңіз, оның диаметрі м, тереңдігі - 2 м.
3. «k » - бұл қосымшаларды азайту коэффициенті.
Үйі | Біз туралы | Өнімдер | Жаңалықтар | Қолдану | Қолдау | Бізбен хабарласыңыз
