| Қол жетімділік күйі: | |
|---|---|
| Саны: | |
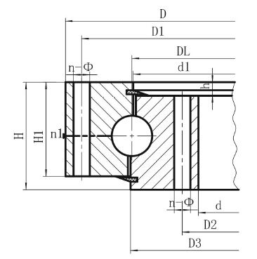
Төрт нүктеде төрт нүктелік байланыс сақиналары тұрады Шағын құрылым мен жеңіл салмақта дизайн екі орындық сақиналар, болат шардың доптарымен айналымға төрт ұпаймен байланыс; ол аюы мүмкін осьтік күш, радиалды күш және бір уақытта еңкейген сәт.
Оны жеуге арналған конвейер, дәнекерлеу манипуляторы, жеңіл және Орташа кезекші кран, экскаватор және басқа да құрылыс техникалары.

| Ешқандай | Улгі | Өлшемдер (мм) | Өлшемдерді орнату | Құрылымдық өлшемдер | Салмақ | |||||||||
D | d | H | D1 | Д2 | n | мм | n1 | Д3 | D1 | Жарты | h | |||
1 | 725 | 525 | 80 | 685 | 565 | 18 | 18 | 3 | 626 | 624 | 68 | 12 | 100 | |
2 | 820 | 620 | 80 | 780 | 660 | 18 | 18 | 3 | 721 | 719 | 68 | 12 | 120 | |
3 | 940 | 705 | 95 | 893 | 749 | 24 | 20 | 4 | 821 | 818 | 83 | 12 | 210 | |
4 | 1000 | 760 | 95 | 956 | 800 | 24 | 20 | 4 | 881 | 878 | 83 | 12 | 230 | |
5 | 1170 | 875 | 95 | 1120 | 930 | 24 | 22 | 4 | 1021 | 1018 | 80 | 15 | 300 | |
6 | 1365 | 1075 | 120 | 1310 | 1130 | 36 | 24 | 6 | 1221 | 1218 | 105 | 15 | 450 | |
7 | 1400 | 1090 | 120 | 1350 | 1150 | 36 | 26 | 6 | 1251 | 1248 | 105 | 15 | 520 | |
8 | 1595 | 1278 | 120 | 1535 | 1335 | 36 | 26 | 6 | 1436 | 1433 | 105 | 15 | 610 | |
9 | 1720 | 1360 | 140 | 1660 | 1420 | 42 | 26 | 6 | 1541 | 1538 | 122 | 18 | 732 | |
10 | 1875 | 1525 | 140 | 1815 | 1585 | 42 | 29 | 6 | 1701 | 1698 | 122 | 18 | 844 | |
11 | 2100 | 1665 | 160 | 2030 | 1740 | 48 | 32 | 6 | 1881 | 1878 | 140 | 20 | 1400 | |
12 | HSB.40.2115 | 2325 | 1900 | 160 | 2245 | 1980 | 48 | 32 | 6 | 2116 | 2113 | 140 | 20 | 1600 |
13 | HSB.40.2370 | 2600 | 2146 | 180 | 2520 | 2220 | 48 | 32 | 6 | 2371 | 2368 | 158 | 22 | 2100 |
14 | HSB.40.2600 | 2835 | 2365 | 180 | 2750 | 2450 | 54 | 36 | 6 | 2601 | 2598 | 158 | 22 | 2400 |
15 | HSB.50.2820 | 3085 | 2555 | 200 | 3000 | 2640 | 54 | 36 | 6 | 2822 | 2818 | 178 | 22 | 3400 |
16 | HSB.50.3120 | 3400 | 2840 | 200 | 3310 | 2930 | 54 | 36 | 6 | 3122 | 3118 | 178 | 22 | 4000 |
17 | HSB.50.3580 | 3920 | 3240 | 240 | 3820 | 3340 | 60 | 40 | 6 | 3582 | 3578 | 218 | 22 | 6700 |
18 | HSB.50.4030 | 4370 | 3690 | 240 | 4270 | 3790 | 66 | 40 | 6 | 4032 | 4028 | 218 | 22 | 7700 |
19 | HSB.50.4540 | 4860 | 4210 | 240 | 4760 | 4310 | 72 | 40 | 6 | 4542 | 4538 | 218 | 22 | 8760 |
Төрт нүктеде төрт нүктелік байланыс сақиналары тұрады Шағын құрылым мен жеңіл салмақта дизайн екі орындық сақиналар, болат шардың доптарымен айналымға төрт ұпаймен байланыс; ол аюы мүмкін осьтік күш, радиалды күш және бір уақытта еңкейген сәт.
Оны жеуге арналған конвейер, дәнекерлеу манипуляторы, жеңіл және Орташа кезекші кран, экскаватор және басқа да құрылыс техникалары.

| Ешқандай | Улгі | Өлшемдер (мм) | Өлшемдерді орнату | Құрылымдық өлшемдер | Салмақ | |||||||||
D | d | H | D1 | Д2 | n | мм | n1 | Д3 | D1 | Жарты | h | |||
1 | 725 | 525 | 80 | 685 | 565 | 18 | 18 | 3 | 626 | 624 | 68 | 12 | 100 | |
2 | 820 | 620 | 80 | 780 | 660 | 18 | 18 | 3 | 721 | 719 | 68 | 12 | 120 | |
3 | 940 | 705 | 95 | 893 | 749 | 24 | 20 | 4 | 821 | 818 | 83 | 12 | 210 | |
4 | 1000 | 760 | 95 | 956 | 800 | 24 | 20 | 4 | 881 | 878 | 83 | 12 | 230 | |
5 | 1170 | 875 | 95 | 1120 | 930 | 24 | 22 | 4 | 1021 | 1018 | 80 | 15 | 300 | |
6 | 1365 | 1075 | 120 | 1310 | 1130 | 36 | 24 | 6 | 1221 | 1218 | 105 | 15 | 450 | |
7 | 1400 | 1090 | 120 | 1350 | 1150 | 36 | 26 | 6 | 1251 | 1248 | 105 | 15 | 520 | |
8 | 1595 | 1278 | 120 | 1535 | 1335 | 36 | 26 | 6 | 1436 | 1433 | 105 | 15 | 610 | |
9 | 1720 | 1360 | 140 | 1660 | 1420 | 42 | 26 | 6 | 1541 | 1538 | 122 | 18 | 732 | |
10 | 1875 | 1525 | 140 | 1815 | 1585 | 42 | 29 | 6 | 1701 | 1698 | 122 | 18 | 844 | |
11 | 2100 | 1665 | 160 | 2030 | 1740 | 48 | 32 | 6 | 1881 | 1878 | 140 | 20 | 1400 | |
12 | HSB.40.2115 | 2325 | 1900 | 160 | 2245 | 1980 | 48 | 32 | 6 | 2116 | 2113 | 140 | 20 | 1600 |
13 | HSB.40.2370 | 2600 | 2146 | 180 | 2520 | 2220 | 48 | 32 | 6 | 2371 | 2368 | 158 | 22 | 2100 |
14 | HSB.40.2600 | 2835 | 2365 | 180 | 2750 | 2450 | 54 | 36 | 6 | 2601 | 2598 | 158 | 22 | 2400 |
15 | HSB.50.2820 | 3085 | 2555 | 200 | 3000 | 2640 | 54 | 36 | 6 | 2822 | 2818 | 178 | 22 | 3400 |
16 | HSB.50.3120 | 3400 | 2840 | 200 | 3310 | 2930 | 54 | 36 | 6 | 3122 | 3118 | 178 | 22 | 4000 |
17 | HSB.50.3580 | 3920 | 3240 | 240 | 3820 | 3340 | 60 | 40 | 6 | 3582 | 3578 | 218 | 22 | 6700 |
18 | HSB.50.4030 | 4370 | 3690 | 240 | 4270 | 3790 | 66 | 40 | 6 | 4032 | 4028 | 218 | 22 | 7700 |
19 | HSB.50.4540 | 4860 | 4210 | 240 | 4760 | 4310 | 72 | 40 | 6 | 4542 | 4538 | 218 | 22 | 8760 |
Үйі | Біз туралы | Өнімдер | Жаңалықтар | Қолдану | Қолдау | Бізбен хабарласыңыз
