| Қол жетімділік күйі: | |
|---|---|
| Саны: | |
011.45.1600
XZWD
8482800000
Доптар дөңгелек жарыста төрт нүктеге айналады, сондықтан ол осьтік күш, радиалды күш және бір-бірден біраз уақыт алады. Конвейер, дәнекерлеу машинасы, ұсақ крандар, шағын және орта экскаваторлар және т.б.
Төрт нүкте Байланыс Крандардағы допты ұйықтау туралы өтініш маңызды жүктеменің бірі болып табылады крандағы тірек бөліктері. Ол ұйқыға арналған үстел дәнекерімен байланысты күрделі құрылым және жүктемелер. Ақырлы элемент әдісі құрал ретінде a, a Ақырғы элементтерді есептеу моделі төрт нүктеден тұрады жүк көлігі және құрылымдық беріктігі және қатаңдық анализі Оған өткізілді.
Біздің өндірістің сапасы мен дәлдігі - бұл кранның көптеген бөлшектік операцияларынан кейін жақсы жұмыс істеудің кілті.  Біз кранның әртүрлі түрін жеткізе аламыз. Біздің өлтірілген мойынтіректерімізге жүк тиегіштер үшін әр түрлі тауарлар жүктелуі және жүктеме жүктеледі. Ол кеме крандарында, порттық крандарда, теңіздегі крандарда, портал крандарында және т.б. кеңінен қолданылады. 
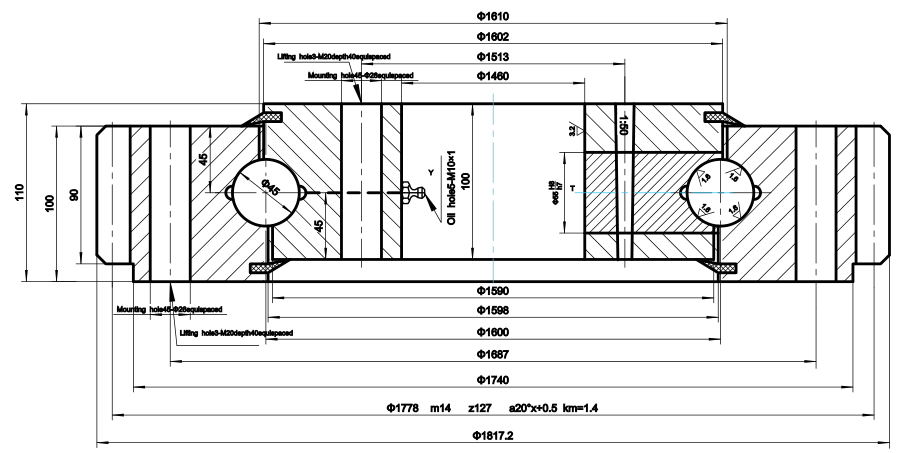
Төменде осы модельдің толық өлшемдерін табыңыз:
Кез-келген сұрақ немесе анықтама, бізге хабарласыңыз.
Доптар дөңгелек жарыста төрт нүктеге айналады, сондықтан ол осьтік күш, радиалды күш және бір-бірден біраз уақыт алады. Конвейер, дәнекерлеу машинасы, ұсақ крандар, шағын және орта экскаваторлар және т.б.
Төрт нүкте Байланыс Крандардағы допты ұйықтау туралы өтініш маңызды жүктеменің бірі болып табылады крандағы тірек бөліктері. Ол ұйқыға арналған үстел дәнекерімен байланысты күрделі құрылым және жүктемелер. Ақырлы элемент әдісі құрал ретінде a, a Ақырғы элементтерді есептеу моделі төрт нүктеден тұрады жүк көлігі және құрылымдық беріктігі және қатаңдық анализі Оған өткізілді.
Біздің өндірістің сапасы мен дәлдігі - бұл кранның көптеген бөлшектік операцияларынан кейін жақсы жұмыс істеудің кілті.  Біз кранның әртүрлі түрін жеткізе аламыз. Біздің өлтірілген мойынтіректерімізге жүк тиегіштер үшін әр түрлі тауарлар жүктелуі және жүктеме жүктеледі. Ол кеме крандарында, порттық крандарда, теңіздегі крандарда, портал крандарында және т.б. кеңінен қолданылады. 
Төменде осы модельдің толық өлшемдерін табыңыз:
Кез-келген сұрақ немесе анықтама, бізге хабарласыңыз.
Үйі | Біз туралы | Өнімдер | Жаңалықтар | Қолдану | Қолдау | Бізбен хабарласыңыз
