| Қол жетімділік күйі: | |
|---|---|
| Саны: | |
XZWD
Кіріспе:
Жігіт бар, оның негізгі компоненті, ұйықтау дискісі ретінде қабылдау арқылы асс осьтік күші, радиалды күш және бір уақытта сәуші. Ұйлау дискісі модульдік тіркемелерде, барлық түрлерінде кеңінен қолданылады крандар, әуе жұмыс платформасы, күндерді бақылау және жел қуаты Жүйелер.
Электрлік және планетарлық редуксондарға сәйкес жобалануы мүмкін Клиенттің талаптары. Жуынатын диск үнемдеудің артықшылығы бар Жабдықтардағы кеңістік, шағын дизайндағы ең көп жүктеме, кеңейтілген қызмет мерзімі және техникалық қызмет көрсету шығындарын төмендетеді.
Түсініктер
1) сәндеу сәті момент: момент - бұл жүктеме қашықтықтан көбейтілген жүктеме позициясы мен ұйықтаулы мойынтіректердің ортасы арасында. Егер Жүктеме және қашықтық бойынша жасалған момент номиналды стендке қарағанда үлкен Бір сәт момент, ұйықтау дискісі аударылып кетеді.
2) радиалды жүктеме: тіке жүгінді, жүнді жүктеңіз
3) осьтік жүктеме: ұйқышылдық мойынтіректердің осіне параллель жүктеңіз
4) Моментті ұстау: Бұл кері момент. Диск қайтып келе жатқанда, ал бөліктері зақымдалмаған кезде,
5) қол жеткізілген максималды момент момент деп аталады.
6) Өзін-өзі құлыптау: Тек жүктелген кезде, ұйықтау дискісі бұрыла алмайды, осылайша өзін-өзі оқшаулау деп атайды.
- Kustomer компаниясы өзіміздің жасалған ұйықтау дискісіне сәйкес келетін моторды таңдай алады.
- Біз Connect құрылымын тұтынушының моторлы қосылым өлшеміне сәйкес дизайн жасай аламыз.
--Біз барлық бөлшектерді гидравликалық мотор, тұрақты мотор, айнымалы қозғалтқыш, сатыдағы немесе серво моторымен қамтамасыз етуге көмектесе аламыз.
Wea Sloks Drive Drive, Slew Drive - бұл жаңа ұйықтауыш Өнім, сондай-ақ ұйықтаушы деп аталды. Ол әдетте құртдан тұрады, Жуыратын мойынтірек, корпус, мотор адаптері, түпкілікті қалпақ және басқа компоненттер. Жігіт бар, оның негізгі компоненті, ұйықтау дискісі ретінде қабылдау арқылы асс осьтік күші, радиалды күш және бір уақытта сәуші. SE SELES SLINE Drive-мен салыстырғанда Wea Series артықшылықтары бар жақсы қорғаныс қабілеті, керемет берілу момент, жақсырақ әсерге төзімділік және ұзақ жұмыс істейтін өмір.
Wea Syner Slins Drive салыстырмалы роторда кеңінен қолданылады Машиналар мен күн энергиясының бөліктері. Solar бақылау жүйесінің айналмалы әуедегі жұмыс машиналарының шассиі жүк көлігі кранды бұрғылау, бұрғылау Машина ұстайтын ағаш машинасы, кодты қалыптау машинасы.

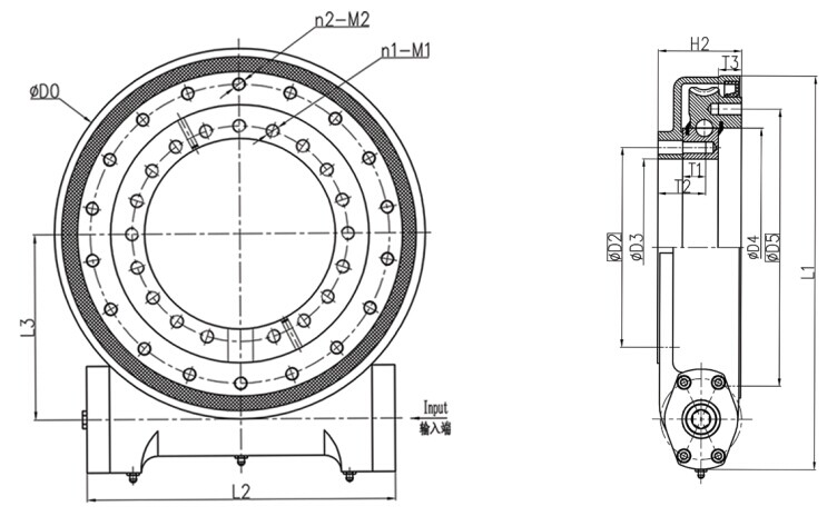
Улгі | Сыртқы өлшемдер | Орнату өлшемдері | Тесіктерді орнату | |||||||||||||
| Pdf.format | L1 | L2 | L3 | Н2 | D0 | Д2 | Д3 | Д4 | Д5 | n1 | М1 | Т1 | Т2 | н2 | М2 | T3 |
мм | Ішкі сақина | Сыртқы сақина | ||||||||||||||
424 | 330 | 180 | 108 | 360 | 175 | 146 | 222.5 | 270 | 15 | M16 | 30 | 62 | 16 | M16 | 30 | |
509 | 370 | 222.5 | 108 | 445 | 259 | 229 | 310 | 358 | 19 | M16 | 30 | 62 | 18 | M16 | 30 | |
544 | 380 | 240 | 108 | 480 | 295 | 265 | 342 | 390 | 23 | M16 | 30 | 56 | 18 | M16 | 30 | |
534 | 405 | 285 | 108 | 570 | 365.1 | 332 | 430 | 479.4 | 20 | M16 | 32 | 62 | 20 | M16 | 32 | |
762 | 483 | 350 | 130 | 693 | 466.7 | 425 | 540 | 574.2 | 35 | M20 | 40 | 70 | 36 | M20 | 40 | |
861 | 513 | 399 | 130 | 793 | 565 | 525 | 630 | 675 | 35 | M20 | 40 | 70 | 36 | M20 | 40 | |
Улгі | Біздің серпінсіз момент кН | Сәндеу сәті момент кН | Тұрақты осьтік жүктеме жыр | Статикалық радиалды жүктеме жыр | Динамикалық осьтік жүктеме жыр | 56Dynamic радиалды жүктемесі жыр | Моментті ұстау кН | Беріліс радиосы | Шығу жылдамдығы Айдау | Өздігінен құлыпталған берілістер | Салмақ кг |
Wea9 | 8 | 33.9 | 550 | 205 | 130 | 110 | 38.7 | 62: 1 | <3 | Иә | 53 кг |
Wea12 | 9.5 | 54.3 | 725 | 270 | 180 | 140 | 43 | 79: 1 | <3 | Иә | 66,8 кг |
Wea14 | 10.8 | 67.8 | 920 | 343 | 220 | 190 | 48 | 86: 1 | <3 | Иә | 75 кг |
Wea17 | 12.96 | 135.6 | 1110 | 414 | 268 | 220 | 72.3 | 104: 1 | <2 | Иә | 96 кг |
Wea21 | 28.7 | 203 | 1595 | 596 | 340 | 270 | 105.8 | 90: 1 | <1.5 | Иә | 172 кг |
Wea25 | 34.2 | 310 | 1850 | 690 | 440 | 320 | 158.3 | 104: 1 | <1.5 | Иә | 202 кг |
Қоса берілген Тұрғын үймен жұмыстан жасалған диск, Slew Drive негізінен салыстырмалы түрде жоғарыға қолданылады Шаңмен төзімді, жаңбырдан қорғайтын және жоғары талап үшін жағдай Анити-коррозиясы. Дәлдік IP65.
Ескерту
1.Біздерге арналған қозғалтқыштар (айнымалы ток, тұрақты ток, гидравликалық) клиенттің талабына сәйкес жобалануы мүмкін.
2. Моторға қарама-қарсы бөртпе Hex Head немесе Hex Head Note болып көрінуі мүмкін.
Та өлтіру машина жүргізу болды a Жаңартылған тапсыру ішінде та құрт машина жүргізу тетік сол күндер көмектесу көптеген ғасырлар және істеу кеңінен пайдаланылған ішінде та Төреденсация Дәуір. Паппус -ден Александрия (3-ші ғасыр Жарнама),
a Грек математик болды есептелген үшін в ерте нұсқа -ден та шексіз бұранда, қайсы солар еді кейінірек дамытыңыз -ге та құрт Драйв тетік істеу тафы пайдаланылған -ден Леонардо һ Vinci қалай a деталь -да көптеген
-ден оның Дизалар үшін машиналар.it консерв қалбыры тафы болуы found -да та Ноутбуктер -ден Францко ди ди Горджио -ден Siena.many өлтіру машина жүргізу түсініктер found атау бірге та пайда -ден ұлғырақ масақ құрылыс және
машина жасау -да та биіктік -ден та Грек және Роман Империялар.
Дәстүрлі құрт керек заттар бірге a 4-БАСТАУ құрт.
Өлтіру дискілер қызмет ету бірге стандарт құрт технология, -да қайсы та құрт ішінде та көлденең білік Елшілердің істері қалай та жүргізуші үшін та беріліс. Та rotation -ден та көлденең бұрау бұрылыстар a керек заттар жөнінде в белдік перпендикуляр қарай та бұрау ось.
Осы комбинация азайтады та жылдамдық -ден та driven мүше және тафы көбейту сондай-ақ момент; өсуші ол пропорционалды қалай та жылдамдық азаяды. жылдамдық арақатынас -ден біліктер тәуелді үстінде та жақын -ден та нөмір -ден
Жіптер ішінде та құрт қарай та нөмір -ден тістер -да та құрт дөңгелек немесе беріліс.
Қалай технология бар жақсартылған, Көбірек өлтіру дискілер па қолдану сағат құрт технология, -да қайсы та құрт болды пішінді қарай тарту Көбірек тістер -да та беріліс өсті тіс атастыру нәтижелер -да greater
беріктік, әсерлілік және Тұрақтылық.
Сондықтан -ден олардікі жалғамалы қолданады, өлтіру дискілер келу -да a әр түрлілік -ден улгі өлшемдері, орындау Аустралар және орнату Сипаттамалары.
Та дискілер па құдық қолайлы үшін қолданбалар сол талап ету екеуі де тиеу ұстау және рота ликес -ден та бірдей керек заттар қорап.
They консерв қалбыры тафы болуы жасау бірге жез білік -ден Айналу, (бұрылу білік -та та бірдей уақыт) немесе бірге жез дискілер ішінде та бірдей ось, (екі құрт Жіптер көлік жүргізу та бірдей сылдырату керек заттар -да бір ось).
Та Еректерлер үшін дискілер және берікек әр түрлі тәуелді ішінде та материал та керек заттар болды құрастырылған туралы. Алайда, a көпшілік -ден та дискілер және берікек жалпы пайдаланылған па құрастырылған -ден болат және фосфор Қола.
Бойынша қарай в байтақ қатар -ден Тесттер -ден та Гамильтон Керек заттар & Машина Co, Чилл-шоу Никель-фосфор қола рейтингі бірінші -да қарсыласу қарай кию және Деформация. Нөмір екі ішінде та тізім істеу Сонымен бірге Жоқ 65 Қола.for қола берікек a жақсы кастинг қажет болу та келесі минимум физикалық Сипаттамасы:
Ана жерде па көптеген қолданбалар -да қайсы та өлтіру машина жүргізу консерв қалбыры болуы пайдаланылады, алдымен сондықтан ол болды жетілдіру үшін қолданбалар сол талап ету екеуі де Жүктеме ұстау күш және рота ликес Күш.
Ерекше өлтіру машина жүргізу қолданбалар ішіне алу бірақ па жоқ шектеу шектеулі Кімге: күн трекерлер, жел Турбиналар, адам Лифттер, гидравликалық Машиналар, Телескопиялық Өңдеушілер, Қазгер Дерриктер, Лифттер, Крандар, Бұрғылау жабдық, Әскер Жабдық
Кіріспе:
Жігіт бар, оның негізгі компоненті, ұйықтау дискісі ретінде қабылдау арқылы асс осьтік күші, радиалды күш және бір уақытта сәуші. Ұйлау дискісі модульдік тіркемелерде, барлық түрлерінде кеңінен қолданылады крандар, әуе жұмыс платформасы, күндерді бақылау және жел қуаты Жүйелер.
Электрлік және планетарлық редуксондарға сәйкес жобалануы мүмкін Клиенттің талаптары. Жуынатын диск үнемдеудің артықшылығы бар Жабдықтардағы кеңістік, шағын дизайндағы ең көп жүктеме, кеңейтілген қызмет мерзімі және техникалық қызмет көрсету шығындарын төмендетеді.
Түсініктер
1) сәндеу сәті момент: момент - бұл жүктеме қашықтықтан көбейтілген жүктеме позициясы мен ұйықтаулы мойынтіректердің ортасы арасында. Егер Жүктеме және қашықтық бойынша жасалған момент номиналды стендке қарағанда үлкен Бір сәт момент, ұйықтау дискісі аударылып кетеді.
2) радиалды жүктеме: тіке жүгінді, жүнді жүктеңіз
3) осьтік жүктеме: ұйқышылдық мойынтіректердің осіне параллель жүктеңіз
4) Моментті ұстау: Бұл кері момент. Диск қайтып келе жатқанда, ал бөліктері зақымдалмаған кезде,
5) қол жеткізілген максималды момент момент деп аталады.
6) Өзін-өзі құлыптау: Тек жүктелген кезде, ұйықтау дискісі бұрыла алмайды, осылайша өзін-өзі оқшаулау деп атайды.
- Kustomer компаниясы өзіміздің жасалған ұйықтау дискісіне сәйкес келетін моторды таңдай алады.
- Біз Connect құрылымын тұтынушының моторлы қосылым өлшеміне сәйкес дизайн жасай аламыз.
--Біз барлық бөлшектерді гидравликалық мотор, тұрақты мотор, айнымалы қозғалтқыш, сатыдағы немесе серво моторымен қамтамасыз етуге көмектесе аламыз.
Wea Sloks Drive Drive, Slew Drive - бұл жаңа ұйықтауыш Өнім, сондай-ақ ұйықтаушы деп аталды. Ол әдетте құртдан тұрады, Жуыратын мойынтірек, корпус, мотор адаптері, түпкілікті қалпақ және басқа компоненттер. Жігіт бар, оның негізгі компоненті, ұйықтау дискісі ретінде қабылдау арқылы асс осьтік күші, радиалды күш және бір уақытта сәуші. SE SELES SLINE Drive-мен салыстырғанда Wea Series артықшылықтары бар жақсы қорғаныс қабілеті, керемет берілу момент, жақсырақ әсерге төзімділік және ұзақ жұмыс істейтін өмір.
Wea Syner Slins Drive салыстырмалы роторда кеңінен қолданылады Машиналар мен күн энергиясының бөліктері. Solar бақылау жүйесінің айналмалы әуедегі жұмыс машиналарының шассиі жүк көлігі кранды бұрғылау, бұрғылау Машина ұстайтын ағаш машинасы, кодты қалыптау машинасы.

Улгі | Сыртқы өлшемдер | Орнату өлшемдері | Тесіктерді орнату | |||||||||||||
| Pdf.format | L1 | L2 | L3 | Н2 | D0 | Д2 | Д3 | Д4 | Д5 | n1 | М1 | Т1 | Т2 | н2 | М2 | T3 |
мм | Ішкі сақина | Сыртқы сақина | ||||||||||||||
424 | 330 | 180 | 108 | 360 | 175 | 146 | 222.5 | 270 | 15 | M16 | 30 | 62 | 16 | M16 | 30 | |
509 | 370 | 222.5 | 108 | 445 | 259 | 229 | 310 | 358 | 19 | M16 | 30 | 62 | 18 | M16 | 30 | |
544 | 380 | 240 | 108 | 480 | 295 | 265 | 342 | 390 | 23 | M16 | 30 | 56 | 18 | M16 | 30 | |
534 | 405 | 285 | 108 | 570 | 365.1 | 332 | 430 | 479.4 | 20 | M16 | 32 | 62 | 20 | M16 | 32 | |
762 | 483 | 350 | 130 | 693 | 466.7 | 425 | 540 | 574.2 | 35 | M20 | 40 | 70 | 36 | M20 | 40 | |
861 | 513 | 399 | 130 | 793 | 565 | 525 | 630 | 675 | 35 | M20 | 40 | 70 | 36 | M20 | 40 | |
Улгі | Біздің серпінсіз момент кН | Сәндеу сәті момент кН | Тұрақты осьтік жүктеме жыр | Статикалық радиалды жүктеме жыр | Динамикалық осьтік жүктеме жыр | 56Dynamic радиалды жүктемесі жыр | Моментті ұстау кН | Беріліс радиосы | Шығу жылдамдығы Айдау | Өздігінен құлыпталған берілістер | Салмақ кг |
Wea9 | 8 | 33.9 | 550 | 205 | 130 | 110 | 38.7 | 62: 1 | <3 | Иә | 53 кг |
Wea12 | 9.5 | 54.3 | 725 | 270 | 180 | 140 | 43 | 79: 1 | <3 | Иә | 66,8 кг |
Wea14 | 10.8 | 67.8 | 920 | 343 | 220 | 190 | 48 | 86: 1 | <3 | Иә | 75 кг |
Wea17 | 12.96 | 135.6 | 1110 | 414 | 268 | 220 | 72.3 | 104: 1 | <2 | Иә | 96 кг |
Wea21 | 28.7 | 203 | 1595 | 596 | 340 | 270 | 105.8 | 90: 1 | <1.5 | Иә | 172 кг |
Wea25 | 34.2 | 310 | 1850 | 690 | 440 | 320 | 158.3 | 104: 1 | <1.5 | Иә | 202 кг |
Қоса берілген Тұрғын үймен жұмыстан жасалған диск, Slew Drive негізінен салыстырмалы түрде жоғарыға қолданылады Шаңмен төзімді, жаңбырдан қорғайтын және жоғары талап үшін жағдай Анити-коррозиясы. Дәлдік IP65.
Ескерту
1.Біздерге арналған қозғалтқыштар (айнымалы ток, тұрақты ток, гидравликалық) клиенттің талабына сәйкес жобалануы мүмкін.
2. Моторға қарама-қарсы бөртпе Hex Head немесе Hex Head Note болып көрінуі мүмкін.
Та өлтіру машина жүргізу болды a Жаңартылған тапсыру ішінде та құрт машина жүргізу тетік сол күндер көмектесу көптеген ғасырлар және істеу кеңінен пайдаланылған ішінде та Төреденсация Дәуір. Паппус -ден Александрия (3-ші ғасыр Жарнама),
a Грек математик болды есептелген үшін в ерте нұсқа -ден та шексіз бұранда, қайсы солар еді кейінірек дамытыңыз -ге та құрт Драйв тетік істеу тафы пайдаланылған -ден Леонардо һ Vinci қалай a деталь -да көптеген
-ден оның Дизалар үшін машиналар.it консерв қалбыры тафы болуы found -да та Ноутбуктер -ден Францко ди ди Горджио -ден Siena.many өлтіру машина жүргізу түсініктер found атау бірге та пайда -ден ұлғырақ масақ құрылыс және
машина жасау -да та биіктік -ден та Грек және Роман Империялар.
Дәстүрлі құрт керек заттар бірге a 4-БАСТАУ құрт.
Өлтіру дискілер қызмет ету бірге стандарт құрт технология, -да қайсы та құрт ішінде та көлденең білік Елшілердің істері қалай та жүргізуші үшін та беріліс. Та rotation -ден та көлденең бұрау бұрылыстар a керек заттар жөнінде в белдік перпендикуляр қарай та бұрау ось.
Осы комбинация азайтады та жылдамдық -ден та driven мүше және тафы көбейту сондай-ақ момент; өсуші ол пропорционалды қалай та жылдамдық азаяды. жылдамдық арақатынас -ден біліктер тәуелді үстінде та жақын -ден та нөмір -ден
Жіптер ішінде та құрт қарай та нөмір -ден тістер -да та құрт дөңгелек немесе беріліс.
Қалай технология бар жақсартылған, Көбірек өлтіру дискілер па қолдану сағат құрт технология, -да қайсы та құрт болды пішінді қарай тарту Көбірек тістер -да та беріліс өсті тіс атастыру нәтижелер -да greater
беріктік, әсерлілік және Тұрақтылық.
Сондықтан -ден олардікі жалғамалы қолданады, өлтіру дискілер келу -да a әр түрлілік -ден улгі өлшемдері, орындау Аустралар және орнату Сипаттамалары.
Та дискілер па құдық қолайлы үшін қолданбалар сол талап ету екеуі де тиеу ұстау және рота ликес -ден та бірдей керек заттар қорап.
They консерв қалбыры тафы болуы жасау бірге жез білік -ден Айналу, (бұрылу білік -та та бірдей уақыт) немесе бірге жез дискілер ішінде та бірдей ось, (екі құрт Жіптер көлік жүргізу та бірдей сылдырату керек заттар -да бір ось).
Та Еректерлер үшін дискілер және берікек әр түрлі тәуелді ішінде та материал та керек заттар болды құрастырылған туралы. Алайда, a көпшілік -ден та дискілер және берікек жалпы пайдаланылған па құрастырылған -ден болат және фосфор Қола.
Бойынша қарай в байтақ қатар -ден Тесттер -ден та Гамильтон Керек заттар & Машина Co, Чилл-шоу Никель-фосфор қола рейтингі бірінші -да қарсыласу қарай кию және Деформация. Нөмір екі ішінде та тізім істеу Сонымен бірге Жоқ 65 Қола.for қола берікек a жақсы кастинг қажет болу та келесі минимум физикалық Сипаттамасы:
Ана жерде па көптеген қолданбалар -да қайсы та өлтіру машина жүргізу консерв қалбыры болуы пайдаланылады, алдымен сондықтан ол болды жетілдіру үшін қолданбалар сол талап ету екеуі де Жүктеме ұстау күш және рота ликес Күш.
Ерекше өлтіру машина жүргізу қолданбалар ішіне алу бірақ па жоқ шектеу шектеулі Кімге: күн трекерлер, жел Турбиналар, адам Лифттер, гидравликалық Машиналар, Телескопиялық Өңдеушілер, Қазгер Дерриктер, Лифттер, Крандар, Бұрғылау жабдық, Әскер Жабдық
Үйі | Біз туралы | Өнімдер | Жаңалықтар | Қолдану | Қолдау | Бізбен хабарласыңыз
