| Қол жетімділік күйі: | |
|---|---|
| Саны: | |
Жуыратын мойынтірек немесе ұйқыдан жасалған [ing] сақинасы айналу болып табылады илемдеу элементтері немесе жазық подшипник әдетте ауыр, бірақ баяу бұрау немесе баяу тербелмелі жүктемені, көбінесе кәдімгі көлденең платформаны қолдайды тырна, а тербелетін ауланемесе көлденең осьтің жел қапталған платформасы жел тиірлген. ( «Slww » дегеніміз орын ауыстырмай бұрылуды білдіреді.
Басқа жылжымалы элементтермен салыстырғанда, жүйкелермен салыстырғанда, ұйқышыл мойынтіректер секциялы және көбінесе метрлік немесе одан көп диаметрлерде жасалады; Жуыратын мойынтіректер Фолкирк дөңгелегі диаметрі 4 метр және 3,5 метрлік осьтен асады. Жуынатын мойынтіректер авиациялық әуе кемесінің беті мойынтіректеріне ұқсайды.
Жуынатын мойынтіректер көбінесе жылжымалы элементтердің екі қатарын жиі қолданады. Олар көбінесе үш қолданады жарысу Ішкі сақина және екі сыртқы сақина және екі сыртқы сақина, ол балғындарды біріктіреді.
Жуынатын мойынтіректер көбінесе ішкі немесе сыртқы нәсілмен интегралды жасалады, бұл негізге қатысты платформаны басқару үшін қолданылады.
Үнемі бұрыла алмағаннан гөрі, басқа мойынтіректерге арналған, майлау қиын болуы мүмкін. Та Мұнай сына  Үздіксіз айналмалы мойынтіректе STOP DINWING-тің басталуымен үзіледі. Оның орнына а Гидростатикалық мойынтірек  Сорылған май ағынымен қолдануға болады.
Екі қатарлы допты жеуге арналған доп, ұйқы сақинасы үш орындық сақиналар бар, болаттан жасалған шарлар мен арақатқа тікелей жоғарғы және төменгі нәсілге тікелей орналастыруға болады, ал болат доптың екі түрлі мөлшері бар.
Екі қатарлы допты жіңішке подшипник, ұйқышылдық сақинаның осьтік және радиалды жүктемелері салыстырмалы түрде үлкен, ол орташа диаметрі мұнаралық крандар, жүк көлігі орнатылған крандар және т.б.
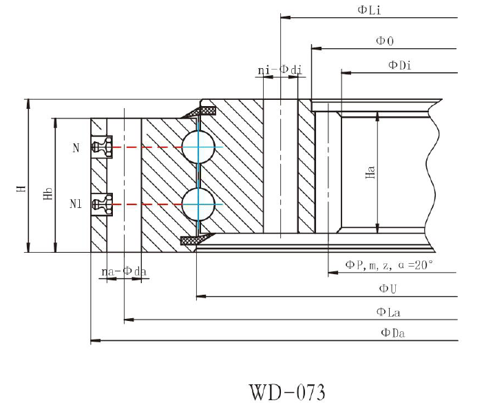
| Улгі Pdf.format | Өлшемдер (мм) | Монтаждау өлшемі (мм) | |||||||||||
| Һ | O | U | Di | Га | Б | H | Болыпан | на | һ | Ер | ни | ди ди | |
|  WD-073.22.0916.pdf | 1010 | 822 | 918 | 786 | 80 | 88 | 98 | 974 | 36 | 18 | 858 | 36 | 18 | 
|  WD-073.25.1105.pdf | 1202 | 1008 | 1115 | 962 | 88 | 98 | 110 | 1166 | 36 | 18 | 1044 | 36 | 18 | 
|  WD-073.30.1220.pdf | 1332 | 1108 | 1222 | 1062 | 98 | 110 | 120 | 1290 | 48 | 22 | 1150 | 48 | 22 | 
|  WD-073.30.1593.pdf | 1713 | 1473 | 1595 | 1418.4 | 98 | 110 | 120 | 1667 | 48 | 26 | 1519 | 48 | 26 | 
| Улгі | Беріліс деректері | Беріліс күші (к.) | Салмақ | |||
| P (мм) | Модуль | Z (тістер жоқ) | Рұқсат | Еңбек | Кг | |
| WD-073.22.0196 | 800 | 8 | 100 | 36.2 | 72.4 | 194 | 
| WD-073.25.1105 | 980 | 10 | 98 | 45 | 90 | 297 | 
| WD-073.30.1220 | 1080 | 10 | 108 | 68.9 | 137.8 | 387 | 
| WD-073.30.1593 | 1440 | 12 | 120 | 92 | 184 | 549 | 
Жуыратын мойынтірек немесе ұйқыдан жасалған [ing] сақинасы айналу болып табылады илемдеу элементтері немесе жазық подшипник әдетте ауыр, бірақ баяу бұрау немесе баяу тербелмелі жүктемені, көбінесе кәдімгі көлденең платформаны қолдайды тырна, а тербелетін ауланемесе көлденең осьтің жел қапталған платформасы жел тиірлген. ( «Slww » дегеніміз орын ауыстырмай бұрылуды білдіреді.
Басқа жылжымалы элементтермен салыстырғанда, жүйкелермен салыстырғанда, ұйқышыл мойынтіректер секциялы және көбінесе метрлік немесе одан көп диаметрлерде жасалады; Жуыратын мойынтіректер Фолкирк дөңгелегі диаметрі 4 метр және 3,5 метрлік осьтен асады. Жуынатын мойынтіректер авиациялық әуе кемесінің беті мойынтіректеріне ұқсайды.
Жуынатын мойынтіректер көбінесе жылжымалы элементтердің екі қатарын жиі қолданады. Олар көбінесе үш қолданады жарысу Ішкі сақина және екі сыртқы сақина және екі сыртқы сақина, ол балғындарды біріктіреді.
Жуынатын мойынтіректер көбінесе ішкі немесе сыртқы нәсілмен интегралды жасалады, бұл негізге қатысты платформаны басқару үшін қолданылады.
Үнемі бұрыла алмағаннан гөрі, басқа мойынтіректерге арналған, майлау қиын болуы мүмкін. Та Мұнай сына  Үздіксіз айналмалы мойынтіректе STOP DINWING-тің басталуымен үзіледі. Оның орнына а Гидростатикалық мойынтірек  Сорылған май ағынымен қолдануға болады.
Екі қатарлы допты жеуге арналған доп, ұйқы сақинасы үш орындық сақиналар бар, болаттан жасалған шарлар мен арақатқа тікелей жоғарғы және төменгі нәсілге тікелей орналастыруға болады, ал болат доптың екі түрлі мөлшері бар.
Екі қатарлы допты жіңішке подшипник, ұйқышылдық сақинаның осьтік және радиалды жүктемелері салыстырмалы түрде үлкен, ол орташа диаметрі мұнаралық крандар, жүк көлігі орнатылған крандар және т.б.
| Улгі Pdf.format | Өлшемдер (мм) | Монтаждау өлшемі (мм) | |||||||||||
| Һ | O | U | Di | Га | Б | H | Болыпан | на | һ | Ер | ни | ди ди | |
|  WD-073.22.0916.pdf | 1010 | 822 | 918 | 786 | 80 | 88 | 98 | 974 | 36 | 18 | 858 | 36 | 18 | 
|  WD-073.25.1105.pdf | 1202 | 1008 | 1115 | 962 | 88 | 98 | 110 | 1166 | 36 | 18 | 1044 | 36 | 18 | 
|  WD-073.30.1220.pdf | 1332 | 1108 | 1222 | 1062 | 98 | 110 | 120 | 1290 | 48 | 22 | 1150 | 48 | 22 | 
|  WD-073.30.1593.pdf | 1713 | 1473 | 1595 | 1418.4 | 98 | 110 | 120 | 1667 | 48 | 26 | 1519 | 48 | 26 | 
| Улгі | Беріліс деректері | Беріліс күші (к.) | Салмақ | |||
| P (мм) | Модуль | Z (тістер жоқ) | Рұқсат | Еңбек | Кг | |
| WD-073.22.0196 | 800 | 8 | 100 | 36.2 | 72.4 | 194 | 
| WD-073.25.1105 | 980 | 10 | 98 | 45 | 90 | 297 | 
| WD-073.30.1220 | 1080 | 10 | 108 | 68.9 | 137.8 | 387 | 
| WD-073.30.1593 | 1440 | 12 | 120 | 92 | 184 | 549 | 
Үйі | Біз туралы | Өнімдер | Жаңалықтар | Қолдану | Қолдау | Бізбен хабарласыңыз
