| Қол жетімділік күйі: | |
|---|---|
| Саны: | |
HSB.25.625
XZWD
8482800000
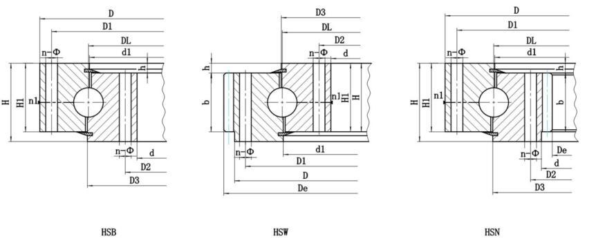
Төрт нүктелі байланыс Жуынатын мойынтіректер - бұл бір қатарлы бұрыштық түйіспе допты мойынтіректері, сондықтан екі қатарлы дизайнға қарағанда осьтік бағытқа айтарлықтай аз уақыт қажет.
Бір жолдың 4 нүктесі Байланыс допты жіңішке мойынтірек - HS сериялары
Xzwd Ұйықтайтын сақина мойынтіректері радиалды, осьтік және сілкініс уақытын қолдайтын және кез-келген бағытта және кез-келген бағытта әрекет етеді. Сондықтан, радиалды және осьтік мойынтіректердің үйлесімін бір мойынтірекпен ауыстыруға болады, бұл жалпы құнын өлшейді және дизайнды жеңілдетеді. Жігітпен сақиналар екі жағына жабылады, жоғары сапалы маймен майланған, майлауазы арқылы майлауы мүмкін және оны орнату оңай.
| Ешқандай | Улгі | Өлшемдер (мм) | Өлшемдерді орнату | Құрылымдық өлшемдер | Салмақ | |||||||||
D | d | H | D1 | Д2 | n | мм | n1 | Д3 | D1 | Жарты | h | |||
1 | 725 | 525 | 80 | 685 | 565 | 18 | 18 | 3 | 626 | 624 | 68 | 12 | 100 | |
2 | 820 | 620 | 80 | 780 | 660 | 18 | 18 | 3 | 721 | 719 | 68 | 12 | 120 | |
3 | 940 | 705 | 95 | 893 | 749 | 24 | 20 | 4 | 821 | 818 | 83 | 12 | 210 | |
4 | 1000 | 760 | 95 | 956 | 800 | 24 | 20 | 4 | 881 | 878 | 83 | 12 | 230 | |
5 | 1170 | 875 | 95 | 1120 | 930 | 24 | 22 | 4 | 1021 | 1018 | 80 | 15 | 300 | |
6 | 1365 | 1075 | 120 | 1310 | 1130 | 36 | 24 | 6 | 1221 | 1218 | 105 | 15 | 450 | |
7 | 1400 | 1090 | 120 | 1350 | 1150 | 36 | 26 | 6 | 1251 | 1248 | 105 | 15 | 520 | |
8 | 1595 | 1278 | 120 | 1535 | 1335 | 36 | 26 | 6 | 1436 | 1433 | 105 | 15 | 610 | |
9 | 1720 | 1360 | 140 | 1660 | 1420 | 42 | 26 | 6 | 1541 | 1538 | 122 | 18 | 732 | |
10 | 1875 | 1525 | 140 | 1815 | 1585 | 42 | 29 | 6 | 1701 | 1698 | 122 | 18 | 844 | |
11 | 2100 | 1665 | 160 | 2030 | 1740 | 48 | 32 | 6 | 1881 | 1878 | 140 | 20 | 1400 | |
12 | HSB.40.2115 | 2325 | 1900 | 160 | 2245 | 1980 | 48 | 32 | 6 | 2116 | 2113 | 140 | 20 | 1600 |
13 | HSB.40.2370 | 2600 | 2146 | 180 | 2520 | 2220 | 48 | 32 | 6 | 2371 | 2368 | 158 | 22 | 2100 |
14 | HSB.40.2600 | 2835 | 2365 | 180 | 2750 | 2450 | 54 | 36 | 6 | 2601 | 2598 | 158 | 22 | 2400 |
15 | HSB.50.2820 | 3085 | 2555 | 200 | 3000 | 2640 | 54 | 36 | 6 | 2822 | 2818 | 178 | 22 | 3400 |
16 | HSB.50.3120 | 3400 | 2840 | 200 | 3310 | 2930 | 54 | 36 | 6 | 3122 | 3118 | 178 | 22 | 4000 |
17 | HSB.50.3580 | 3920 | 3240 | 240 | 3820 | 3340 | 60 | 40 | 6 | 3582 | 3578 | 218 | 22 | 6700 |
18 | HSB.50.4030 | 4370 | 3690 | 240 | 4270 | 3790 | 66 | 40 | 6 | 4032 | 4028 | 218 | 22 | 7700 |
19 | HSB.50.4540 | 4860 | 4210 | 240 | 4760 | 4310 | 72 | 40 | 6 | 4542 | 4538 | 218 | 22 | 8760 |
Өтініштер:
Экскаваторлар, терең бұрғылау қондырғылары және басқа да құрылыс техникалары, дәнекерлеу, инженерлік және өсімдіктер техникасы.
Төрт нүктелі байланыс Жуынатын мойынтіректер - бұл бір қатарлы бұрыштық түйіспе допты мойынтіректері, сондықтан екі қатарлы дизайнға қарағанда осьтік бағытқа айтарлықтай аз уақыт қажет.
Бір жолдың 4 нүктесі Байланыс допты жіңішке мойынтірек - HS сериялары
Xzwd Ұйықтайтын сақина мойынтіректері радиалды, осьтік және сілкініс уақытын қолдайтын және кез-келген бағытта және кез-келген бағытта әрекет етеді. Сондықтан, радиалды және осьтік мойынтіректердің үйлесімін бір мойынтірекпен ауыстыруға болады, бұл жалпы құнын өлшейді және дизайнды жеңілдетеді. Жігітпен сақиналар екі жағына жабылады, жоғары сапалы маймен майланған, майлауазы арқылы майлауы мүмкін және оны орнату оңай.
| Ешқандай | Улгі | Өлшемдер (мм) | Өлшемдерді орнату | Құрылымдық өлшемдер | Салмақ | |||||||||
D | d | H | D1 | Д2 | n | мм | n1 | Д3 | D1 | Жарты | h | |||
1 | 725 | 525 | 80 | 685 | 565 | 18 | 18 | 3 | 626 | 624 | 68 | 12 | 100 | |
2 | 820 | 620 | 80 | 780 | 660 | 18 | 18 | 3 | 721 | 719 | 68 | 12 | 120 | |
3 | 940 | 705 | 95 | 893 | 749 | 24 | 20 | 4 | 821 | 818 | 83 | 12 | 210 | |
4 | 1000 | 760 | 95 | 956 | 800 | 24 | 20 | 4 | 881 | 878 | 83 | 12 | 230 | |
5 | 1170 | 875 | 95 | 1120 | 930 | 24 | 22 | 4 | 1021 | 1018 | 80 | 15 | 300 | |
6 | 1365 | 1075 | 120 | 1310 | 1130 | 36 | 24 | 6 | 1221 | 1218 | 105 | 15 | 450 | |
7 | 1400 | 1090 | 120 | 1350 | 1150 | 36 | 26 | 6 | 1251 | 1248 | 105 | 15 | 520 | |
8 | 1595 | 1278 | 120 | 1535 | 1335 | 36 | 26 | 6 | 1436 | 1433 | 105 | 15 | 610 | |
9 | 1720 | 1360 | 140 | 1660 | 1420 | 42 | 26 | 6 | 1541 | 1538 | 122 | 18 | 732 | |
10 | 1875 | 1525 | 140 | 1815 | 1585 | 42 | 29 | 6 | 1701 | 1698 | 122 | 18 | 844 | |
11 | 2100 | 1665 | 160 | 2030 | 1740 | 48 | 32 | 6 | 1881 | 1878 | 140 | 20 | 1400 | |
12 | HSB.40.2115 | 2325 | 1900 | 160 | 2245 | 1980 | 48 | 32 | 6 | 2116 | 2113 | 140 | 20 | 1600 |
13 | HSB.40.2370 | 2600 | 2146 | 180 | 2520 | 2220 | 48 | 32 | 6 | 2371 | 2368 | 158 | 22 | 2100 |
14 | HSB.40.2600 | 2835 | 2365 | 180 | 2750 | 2450 | 54 | 36 | 6 | 2601 | 2598 | 158 | 22 | 2400 |
15 | HSB.50.2820 | 3085 | 2555 | 200 | 3000 | 2640 | 54 | 36 | 6 | 2822 | 2818 | 178 | 22 | 3400 |
16 | HSB.50.3120 | 3400 | 2840 | 200 | 3310 | 2930 | 54 | 36 | 6 | 3122 | 3118 | 178 | 22 | 4000 |
17 | HSB.50.3580 | 3920 | 3240 | 240 | 3820 | 3340 | 60 | 40 | 6 | 3582 | 3578 | 218 | 22 | 6700 |
18 | HSB.50.4030 | 4370 | 3690 | 240 | 4270 | 3790 | 66 | 40 | 6 | 4032 | 4028 | 218 | 22 | 7700 |
19 | HSB.50.4540 | 4860 | 4210 | 240 | 4760 | 4310 | 72 | 40 | 6 | 4542 | 4538 | 218 | 22 | 8760 |
Өтініштер:
Экскаваторлар, терең бұрғылау қондырғылары және басқа да құрылыс техникалары, дәнекерлеу, инженерлік және өсімдіктер техникасы.
Үйі | Біз туралы | Өнімдер | Жаңалықтар | Қолдану | Қолдау | Бізбен хабарласыңыз
