Көрулер саны:0 Автор:Рубин Чжан Жариялау уақыты: 2018-03-22 Шығу:Сайт
Анықтау үшін Ұйқысыз сақина Өтінішке сәйкес келеді, қызмет көрсету коэффициенті қолданылады. Қызмет коэффициентіне нұсқаулық үшін төмендегі кестені қараңыз. Осы каталогта көрсетілген жүктеме рейтингінің қисық сызықтары шамамен, ал қосымшаның қызмет көрсету коэффициентін білдіреді 1.00. Мойынтіректердің қажетті рейтингін анықтау үшін қолданыстағы қызмет көрсету коэффициентін мойынтіректердегі қолданбалы жүктемелермен көбейтіңіз және жүктемелердің жүктеме рейтингтік қисықтарына дейін салыстырыңыз.
Класы | Типтік мәселелер | Қолдану мысалдары | Минимум |
ЖАРЫҚ | Жақсы анықталған жүктеме | Шиналар орнатылған жеңіл баж салу | 1.00 |
Сыйымдылығы төмен түсіру | Жеңіл кестенің индекс кестесі | 1.00 | |
Айналу баяу, <10% уақыты және үзіліссіз | Өнеркәсіптік манипулятор немесе робот | 1.00 | |
Жеңіл жұмыс істеуге арналған механизм | 1.00 | ||
Жеңіл кезекші медициналық құрылғылар | 1.00 | ||
Жеңіл кезекші жер үсті платформалары | 1.00 | ||
Дәнекерлеу орындары | 1.00 | ||
Айналмалы белгілер, дисплейлер | 1.00 | ||
Амал | Жақсы анықталған жүктеме | Бекітілген жеңіл баж салу | 1.10 |
Сыйымдылығы жақын немесе төмен | Сыртқы аула құрылысы | 1.25 | |
Айналу баяу, <30% уақыт және үзіліссіз | Орташа өндірістік манипулятор немесе робот | 1.25 | |
Конізгорианз | 1.10 | ||
Айналмалы үстелдер | 1.25 | ||
Катзандар мен бұрылыс | 1.10 | ||
Ағынды суларды тазарту | 1.10 | ||
Ауыр | Жүктеу жақсы анықталмаған | Орман шаруашылығының жабдықтары | 1.50 |
Құрылғыдан тыс жүктеме пайда болуы мүмкін | Ауыр баж салығы индексі және бұрандалар | 1.50 | |
Соққы жүктеу болуы мүмкін | Экскаваторлар | 1.50 | |
Айналу үзіліссіз, 100% дейін | |||
АРНАЙЫ | Жүктеу жақсы анықталмаған | Балама энергия (жел, гидро және т.б.) | Тб |
Үздіксіз айналу | Теңізде қолдану | Тб | |
Жоғары жылдамдықты айналдыру | Ойын-сауық мінеді | Тб | |
Ауыр жүктемелер, соққы, әсер | Болат диірмен қосымшалары | Тб | |
Жоғары дәлдік, орналасуы | Дәлдік робототехника | Тб |
Егер сізге қызмет көрсету коэффициентін анықтауға кез-келген көмек қажет болса немесе толығырақ жүктеме рейтингінің қисық сызығы қажет болса (егер сіздің қызмет көрсету коэффициенттері қолданылса, осы каталогта көрсетілген немесе одан тыс қисықтарға жақын болса), инженерияға хабарласыңыз көмек үшін. Жабдық дизайнері көбінесе тестілеу арқылы тексерілген дұрыс қызмет көрсету коэффициентін анықтауға жауап береді.
«Типтік қосымшасы » Ұйқысыз сақиналар төменде көрсетілген шарттарды көрсетеді. Қолданылу шарттары мен мүмкіндіктеріне арнайы қарастыру көрсетілуі керек, өйткені қолдану шарттары «әдеттегі » деп саналатын жағдайлардан өзгеше болады. Қолданудың әдеттегі шарттары:
l айналудың тік осі. Негізінен, мойынтіректер «пәтер ».
l Сығымдау және моменттік жүктемелер кернеу жүктемесімен салыстырғанда басым.
l радиалды жүктеме жүктелетін жүктің 10% -дан азын құрайды.
l бір қатарлы подшипниктер үшін, үзіліссіз айналу (үздіксіз емес) 500 фут / минуттық жылдамдықпен алмауы керек.
l -40ºF арасындағы жұмыс температурасы -40ºF дейін + 140ºF дейін.
l Екі нәсілнің айналымы мен тегістеуіне кепілдік беру үшін беттік геометрия және орнату процедуралары. Мысал тәсілдері болттарды ауыспалы жұлдыз үлгісінің әдісін қолданып, болттарды қатайту кезінде орталықтандырылған жүкті қолдану үшін қолданылады.
l Тиісті кернеуді тексеру үшін бекіту болттарын мерзімді тексеру.
l мерзімді майлау қарастырылған.
Ұйқысыз сақиналар Төменде көрсетілгендей едәуір радиалды, тарту және сәттік жүктемелерді орналастыруға арналған:

Бұл көп жағдайда төрт нүктеге арналған төрт нүкте Байланыс Raceway Geometry арқылы, ол X-Type жұқа секция мойынтіректеріне ұқсас. Бұл жоғарыда көрсетілген барлық үш сценарийді орналастыруға мүмкіндік береді.
Ұйқысыз сақиналар жиі кездеседі, онда айналу баяу, тербелмелі және / немесе үзіліссіз. Жылдамдықты шектеу үшін есептеулер үшін Silverthin Engineering компаниясына хабарласыңыз.
Ұйқысыз сақина мойынтіректері әдетте диаметрлі төзімділікпен қамтамасыз етілмейді. Ұйқыдан жасалған қоңыраулар қосымшалары дәлдіктің жоғарырақ дәрежесін қажет етеді. Инженерлік және жобалық қамтамасыз ету үшін арнайы қосымшалар бойынша инженериямен байланысыңыз.
Ұйқысыз сақиналар көбінесе ылғалдандырылатын және икемді ластану мүмкін болатын ашық ауада қолданылады. Қалыпты температура -40 ° F +40 ° F + 140 ° F (-40 ° C-ға дейін + 60 ° C-қа дейін). Харфер ортасында жұмыс істеуге арналған ұйқы сақиналары XZWD-де қол жетімді, XZWD инженері, мысалы, экстремалды орта үшін ең жақсы мойынтірек жүйесін анықтау үшін дизайн процесінде хабарласыңыз.
Жоғарыда айтылғандай, төменде көрсетілгендей подшипниктерді «сығымдау » арқылы орнатқан дұрыс. Бұл жүктемені доптармен қамтамасыз етілген, ол берілген жүктеме қисығында ұсынылған. Созылуды орнату сыйымдылығы аз, өйткені болт күші, сыйымдылығы үшін басты назар аударады.

Монтаждау беттерін мойынтіректердің дұрыс жұмыс істеуі үшін дәл өңдеу керек. Егер стандартты болт үлгілерін орналастыру мүмкін емес болса, балама нұсқалар үшін SilverThin Engineering компаниясына хабарласыңыз. Қарастыру кернеу немесе сығымдау кезінде монтаждау керек. TINVER, болт күші шектеулі жүктеме болып табылады, жүктеме қисығы бұдан былай қолданылмайды, ал ерекше мәселелерді шешу керек. Төмендегі қосымша нұсқауларды қараңыз.
Жалпы, бұл бас бармақтың ережесі тиісті құрылымдық тұтастыққа ие болады.
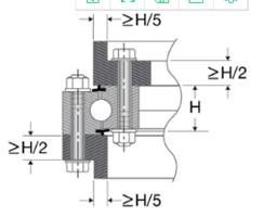
Мойынтіректерді орнату бетінің тегістікі оңтайлы нәтиже үшін өте маңызды. Көбінесе монтаждау құрылымдары дәнекерленеді немесе құрылымға кері әсер етеді. Бұл кернеулерді жеңілдету керек, келесіде мойынтірек монтаж беті тегіс болуы керек. Жазық болу керек:
Айналыстат тән бағыт (δr): төрт нүктелі допты мойынтіректердегі айналмалы бағытта рұқсат етілген түзуліктің мөлшері төмендегі суретте көрсетілген. Бұл түзуден жасалған бұл мөлшерді 90 ° -тен аз, алдан-да бір реттен артық емес, ал 180 ° -тан аспауы керек.
Рұқсат етілген тағам немесе перпендикулярлық ауытқулар немесе перпендикулярлық ауытқуы (δP): төрт нүктелі байланыс допының дизайндары үшін, бұл мүмкіндіктің бұл мөлшері формуланы қолданып жууға болады:
δP ≈ 0.001 * DW * P
Қайда:
P | = | Монтаж құрылымының радиалды күңгірт күші (ішінде) |
DW | = | Диаметрі жылжымалы элементтің диаметрі (ішінде) |

Егер өтінімде нақты дәлдікті немесе төмен айналу моменті қажет болса, δr және δP мәндерін азайту қажет болуы мүмкін екенін ескеріңіз. Роликті мойынтіректер үшін, жазықтық мөлшері, оның баламасы үшін шамамен 2/3 құрайды Төрт нүктелі байланыс доп.

Майланған май - бұл ұйықтайтын сақиналар мен беріліс қосымшаларында қолданылатын ең көп таралған майлау. Стандартты жеуге арналған сақиналармен дұрыс жұмыс істеу үшін, майлы фитингтер немесе майлы тесіктер арқылы жүйелі түрде майлау қажет. Майлаудың арнайы нұсқалары үшін XZWD байланысы
Үйкеліс сәті төменде көрсетілген формуланы қолдана отырып, ұйықтау сақинасы үшін бағалануы мүмкін. Алынған мәндер мойынтіректер осы каталогта көрсетілген нұсқауларға сәйкес орнатылады деп болжайды. Бұл бағалау тек жүктеме мойынтіректерге қолданылатын кезде қолданылады және түсірілмеген күйде басталуға болмайды. Сондай-ақ, құрамдас бөліктермен, құрамдас бөліктермен және құрамдас бөліктермен жасалған үйкеліс момент болып саналмайды. Бұл бастапқы нүкте ұсынады, ал қосымша тәжірибені жиналысқа қосымша моментке орналастыруға болады.
Mf = μ * (4.4M + FA DPW + 2,2 FR DPW) / 2
Қайда:
М »мф | = | Жүктеу кезінде подшипник (FT-LBS) |
μ | = | Үйкеліс коэффициенті (әдетте 0.006) |
M | = | Сәтсіз жүктеме (FT-IBS) |
Fa | = | Осьтік жүктеме (IBS) |
Жек көр | = | Радиалды жүктеме (IBS) |
ДҚW | = | Мойынтіректер диаметрі (фут) |
Әрқашан болттарды босататын аппараттық жеткізушінің кеңестері мен көмегі бар етіп таңдау ұсынылады. Болт сапасы, болжамды процедуралар және техникалық қызмет көрсету әр түрлі болуы мүмкін.
Оңтайлы болттау құрылымы бірдей кеңістіктегі ені бар ішкі және сыртқы жарыстарда болт шеңбері бар. Бұл мойынтіректер мен бекіткіштер арасындағы ең жақсы көрсеткіштер беретін біркелкі монтаждауға әкеледі. Бұл құрылымды орнатудың әрқашан мүмкін емес, ал тесіктерді сәйкесінше жылжыту мүмкін. Мұндай жағдайларда тестілеуге нақты болт жүктемелерін анықтау ұсынылады, бірлескен конфигурация және жинақтау процедурасын тексереді.
Ең ауыр жүктелетін болтқа жуық жүктемені анықтау үшін бастапқы нүкте ретінде келесі формуланы қолдануға болады. Silverthin ™ резервативті, білдірілмеген немесе болжанған, болттардың жеткіліктілігіне назар аударыңыз. Нақты жүктемені анықтау үшін тестілеуді ұсынған дұрыс, өйткені бұл сенімді болудың жалғыз сенімді әдісі.
Rb = | 12 * m * r | ± | Fa |
Bc * n | n |
Қайда:
Руб | = | Ең ауыр жүктелген болтқа жалпы жүктеме (IBS) |
M | = | Сәтсіз жүктеме (FT-IBS) |
r | = | Қатаңдық факторы. Мойынтіректер мен орташа қаттылық құрылымдары үшін 3 қолданыңыз. |
Fa | = | Осьтік жүктеме (фунт) Егер FA кернеу болса, белгі + Егер FA сығып қалса, белгі - |
Б? | = | Болт шеңбер диаметрі (ішінде) |
n | = | Тең бөлінген болттардың жалпы саны |
С.ф | = | Қауіпсіздіктің болт факторы. Ұсынылатын минимум = 3. Төмендегі формуланы қараңыз. |
Sf = | Болтқа төзімді жүктеме рейтингі |
Руб |
Болт диаметрі (ішінде) | Дәлелдеу жүктемесі (фунт) |
1/2 | 17,000 |
5/8 | 27,100 |
3/4 | 40,100 |
7/8 | 55,400 |
1 | 72,700 |
1 - 1/8 | 91,600 |
1 - 1/4 | 116,300 |
1 - 1/2 | 168,600 |
1. SAE J429, 8-сынып немесе ASTM A490 / A490m немесе ISO 898-1, 10,9 сыныптың 70% -ын ұзартатын алты бегагонның бас беріктігін қолданыңыз.
2. SAE J995, 8-сынып немесе ASTM A563, DH немесе ISO 898-2, 10-сынып бойынша, A ASTM ASTM-ге сәйкес.
3. Болт оңтайлы кернеу үшін болт түбінен қашықтықтың арақатынасы 3,5 немесе одан жоғары деңгейге жетеді. Тексеру үшін тестілеу қажет.
4. Берілген сақинадағы барлық бекіткіштерде қысқыштың ұзындығы бірдей болуы керек.
5. Болт пен болттың басы арасындағы қашықтық, кем дегенде, болт дененің диаметріне тең болуы керек.
6. Болат құрылымындағы бұрышты тарту ұзындығы болат құрылымында болт диаметрі 1,25 есе көп болуы керек.
7. Бесіктің сынақтарын тексеру ұсынылады, бұл болт тарту әдісі жабдықтың тестілеуіне дейін қажетті нәтижеге қол жеткізеді.
Мойынтіректерді орнатқан кезде, мойынтіректердің мүмкіндігінше дөңгелек екенін қамтамасыз ету маңызды. Бұл жүктемені таратуды оңтайландырады және ең жақсы жұмысты алға жылжытады. Көмек ретінде келесі процедуралар ұсынылады.
ASTM F436 сәйкес қатталған дөңгелек тегіс жуғыш машиналарды болт, сонымен қатар жаңғақ салыңыз. Жіптің үстіне құлыптау және құлыптау қосылыстары ұсынылмайды.
Діргіштерді, жаңғақтарды және болттарды мойынтіректерге және қолмен ұстауға және қолды тартыңыз. Болттарды орнату үшін подшипникті бұрмаламаңыз. Мойынтіректерге орташа мөлшердегі жүктеме салыңыз. Болттарды жабдықтың дизайнерінің техникалық сипаттамаларына қатайтыңыз. Жалпы тәсіл - төмендегі диаграммада көрсетілгендей болттарды, тізбектерді қатайту үшін жұлдыз үлгісін пайдалану. Үлгі әдетте 3 сатыда 3 сатыда, шамамен 30%, 80% және 100%, бұрылыс құрастырушымен көрсетілген кернеу деңгейі немесе кернеу деңгейі.
Тиісті кернеудің жоғалуы ертедегі болт істен шығуы мүмкін, мойынтірек пен құрылымның бұзылуына, құрамдас бөліктерге, құрамына зақым келтіруге, маңдағы кез-келген адамға зиян келтіруі мүмкін. Болттар кернеуді алдын-ала тексеруді қажет етеді, ол көбінесе болттың моментімен жүзеге асырылады.
мазмұны бос uff01
Үйі | Біз туралы | Өнімдер | Жаңалықтар | Қолдану | Қолдау | Бізбен хабарласыңыз
