Көрулер саны:0 Автор:Yingying chou Жариялау уақыты: 2018-08-07 Шығу:Сайт
Та Төрт нүктеге арналған төрт нүктеде доп жіңішке сақинасы екі теңіз айдайтындардан тұрады. , консольдерді, жеңіл, орташа крандарды, экскаваторларды және басқа да инженерлік машиналарды дәнекерлеу.
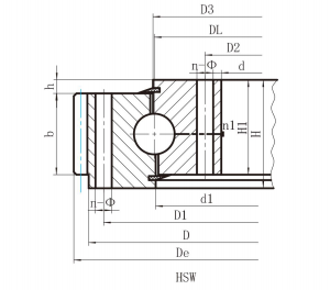
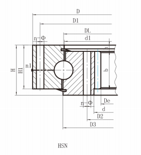
HS сериясы алдын-ала индекстелмеген, жеңіл профильдің ұйқыға арналған сақиналары тік бұрышты көлденең қималармен ерекшеленеді, бұл тесіктің басқа үлгілеріне мүмкіндік береді, қаттылықты жақсартады және көп сыйымдылыққа мүмкіндік береді. Крандар, әуе лифттері, гиг горгор, дириктер, чуттық бұрылыстар, жүк көлігі роторлары және өндірістік бұрандалар.


HS сериялары бірдей пинион, беріліс және нәсілдік қаттылықты бөліседі. Дегенмен, HS Slinking Ring мүмкіндіктері, қосымша сыйымдылықты, одан да көп сыйымдылық, едәуір сыйымдылық және ҚР сериясына қарағанда қысқарған тік бұрышты бөлімдер. HS Sloing сақалы мойынтіректері Стандартты көлденең қимасы бар 20 «47 » (500 мм-ден 47 мм-ге дейін) диапазоны. Конфигурацияларға берілмеген және ішкі берілмеген (сыртқы диаметрдегі фитингтермен), және сыртқы редуктор (ішкі диаметрдегі арматура) кіреді. Техникалар - Agma класына арналған 20 ° қыста бұрыштары бар дизайн, ал қ.
HS Slinking сақалы мойынтіректері Майлауға арналған екі арматура, 180 ° аралық. Берілген нәсілдер саңылауларды кесіп алды, ал редуктор емес жарыстар тесіктерден өтеді. Барлығы ластанудан қорғауға арналған интегралдық пломбалар бар.
XZWD инженерлері XZWD-ді кран подшипниктерін жеткізуші xzwd-дің ең ерекше қиындықтарын жою үшін тәжірибелік және сараптаманы қолданады.
мазмұны бос uff01
Үйі | Біз туралы | Өнімдер | Жаңалықтар | Қолдану | Қолдау | Бізбен хабарласыңыз
