Көрулер саны:0 Автор:Мики күн Жариялау уақыты: 2018-11-03 Шығу:Сайт
«Типтік қосымшалар » xuzhou wanda ledwing сақинасы төменде келтірілген жағдайларды көрсетеді. Қолданылу шарттары мен мүмкіндіктеріне арнайы қарастыру көрсетілуі керек, өйткені қолдану шарттары «әдеттегі » деп саналатын жағдайлардан өзгеше болады. Қолданудың әдеттегі шарттары:
· Айналудың тік осі. Негізінен, мойынтіректер «пәтер ».
· Сығымдау және моменттік жүктемелер кернеу жүктемесімен салыстырғанда басым.
· Радиалды жүктеме жүктелетін жүктеме 10% -дан азға дейін шектеулі.
· Бір жол подшипниктері үшін, үзіліссіз айналу (үздіксіз емес) 500 фут жылдамдыққа ие болмауы керек.
· Жұмыс температурасы -40ºF аралығында -40ºF дейін + 140ºF дейін.
· Екі нәсілнің айналымы мен тегістелетін жер үсті геометриясы және орнату процедуралары. Мысал тәсілдері болттарды ауыспалы жұлдыз үлгісінің әдісін қолданып, болттарды қатайту кезінде орталықтандырылған жүкті қолдану үшін қолданылады.
· Тиісті кернеуді тексеру үшін бекіту болттарын периодты тексеру.
Периодты майлау қарастырылған.
Xzwd Ұйқысыз сақиналар Төменде көрсетілгендей едәуір радиалды, тарту және сәттік жүктемелерді орналастыруға арналған:
Бұл көп жағдайда XZWD X типті жұқа секция мойынтіректеріне ұқсас төрт нүктелік контактпен жүзеге асырылады. Бұл жоғарыда көрсетілген барлық үш сценарийді орналастыруға мүмкіндік береді.
Сұрақ-сілкіндіретін қоңыраулардың қолтаңбалары туралы толығырақ ақпарат алу үшін қоңыраулардың жүктеме мүмкіндіктері.
Xzwd Ұйықтайтын сақиналар жиі кездеседі, онда айналу баяу, тербелмелі және / немесе үзіліссіз. Жылдамдықты шектеу үшін Есептеулер үшін XZWD инженериясына хабарласыңыз.
Xzwd Ұйықтайтын сақиналар әдетте диаметрлі төзімділікпен қамтамасыз етілмейді. Ұйқыдан жасалған қоңыраулар қосымшалары дәлдіктің жоғарырақ дәрежесін қажет етеді. Инженерлік-конструкторлық қолдау үшін арнайы қосымшалар бойынша XZWD инженериясына хабарласыңыз.
Xzwd Ұйықтайтын сақиналар көбінесе ылғалды және ашық ауада ылғал мен ластану мүмкін болатын ашық ауада қолданылады. Қалыпты температура -40 ° F +40 ° F + 140 ° F (-40 ° C-ға дейін + 60 ° C-қа дейін). Харфер ортасында жұмыс істеуге арналған ұйқы сақиналары XZWD-де қол жетімді, XZWD инженері, мысалы, экстремалды орта үшін ең жақсы мойынтірек жүйесін анықтау үшін дизайн процесінде хабарласыңыз. Мысалы, сіз оны осыдан қолданғыңыз келсе кранға арналған ұйықтау, сіз бізбен байланыса аласыз.
Жоғарыда айтылғандай, төменде көрсетілгендей подшипниктерді «сығымдау » арқылы орнатқан дұрыс. Бұл жүктемені доптармен қамтамасыз етілген, ол берілген жүктеме қисығында ұсынылған. Созылуды орнату сыйымдылығы аз, өйткені болт күші, сыйымдылығы үшін басты назар аударады.
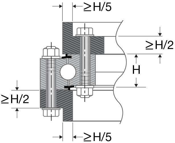
Монтаждау беттерін мойынтіректердің дұрыс жұмыс істеуі үшін дәл өңдеу керек. Егер стандартты болт үлгілерін орналастыру мүмкін емес жерде, балама опциялар үшін XZWD инжинириніне хабарласыңыз. Қарастыру кернеу немесе сығымдау кезінде монтаждау керек. TINVER, болт күші шектеулі жүктеме болып табылады, жүктеме қисығы бұдан былай қолданылмайды, ал ерекше мәселелерді шешу керек. Төмендегі қосымша нұсқауларды қараңыз.
Жалпы, бұл бас бармақтың ережесі тиісті құрылымдық тұтастыққа ие болады.
Майланған май - бұл ұйықтайтын сақиналар мен беріліс қосымшаларында қолданылатын ең көп таралған майлау. Стандартты жеуге арналған сақиналармен дұрыс жұмыс істеу үшін, майлы фитингтер немесе майлы тесіктер арқылы жүйелі түрде майлау қажет. Арнайы майлаудың нұсқалары үшін xuzhou Wanda leda inseplate-ге хабарласыңыз.
Үйкеліс сәті төменде көрсетілген формуланы қолдана отырып, ұйықтау сақинасы үшін бағалануы мүмкін. Алынған мәндер мойынтіректер осы каталогта көрсетілген нұсқауларға сәйкес орнатылады деп болжайды. Бұл бағалау тек жүктеме мойынтіректерге қолданылатын кезде қолданылады және түсірілмеген күйде басталуға болмайды. Сондай-ақ, құрамдас бөліктермен, құрамдас бөліктермен және құрамдас бөліктермен жасалған үйкеліс момент болып саналмайды. Бұл бастапқы нүкте ұсынады, ал қосымша тәжірибені жиналысқа қосымша моментке орналастыруға болады.
Қашан Мойынтіректерді орнату Мойынтіректердің мүмкіндігінше айналдыруды қамтамасыз ету маңызды. Бұл жүктемені таратуды оңтайландырады және ең жақсы жұмысты алға жылжытады. Көмек ретінде келесі процедуралар ұсынылады.
ASTM F436 сәйкес қатталған дөңгелек тегіс жуғыш машиналарды болт, сонымен қатар жаңғақ салыңыз. Жіптің үстіне құлыптау және құлыптау қосылыстары ұсынылмайды.
Діргіштерді, жаңғақтарды және болттарды мойынтіректерге және қолмен ұстауға және қолды тартыңыз. Болттарды орнату үшін подшипникті бұрмаламаңыз. Мойынтіректерге орташа мөлшердегі жүктеме салыңыз. Болттарды жабдықтың дизайнерінің техникалық сипаттамаларына қатайтыңыз. Жалпы тәсіл - төмендегі диаграммада көрсетілгендей болттарды, тізбектерді қатайту үшін жұлдыз үлгісін пайдалану. Үлгі әдетте 3 сатыда 3 сатыда, шамамен 30%, 80% және 100%, бұрылыс құрастырушымен көрсетілген кернеу деңгейі немесе кернеу деңгейі.
Тиісті кернеудің жоғалуы ертедегі болт істен шығуы мүмкін, мойынтірек пен құрылымның бұзылуына, құрамдас бөліктерге, құрамына зақым келтіруге, маңдағы кез-келген адамға зиян келтіруі мүмкін. Болттар кернеуді алдын-ала тексеруді қажет етеді, ол көбінесе болттың моментімен жүзеге асырылады.
мазмұны бос uff01
Үйі | Біз туралы | Өнімдер | Жаңалықтар | Қолдану | Қолдау | Бізбен хабарласыңыз
